0
Skip to Content
Home
Contact
About Me
Andrew Grzywacz
Open Menu
Close Menu
Open Menu
Close Menu
Home
Contact
About Me
Andrew Grzywacz
Home
Contact
About Me
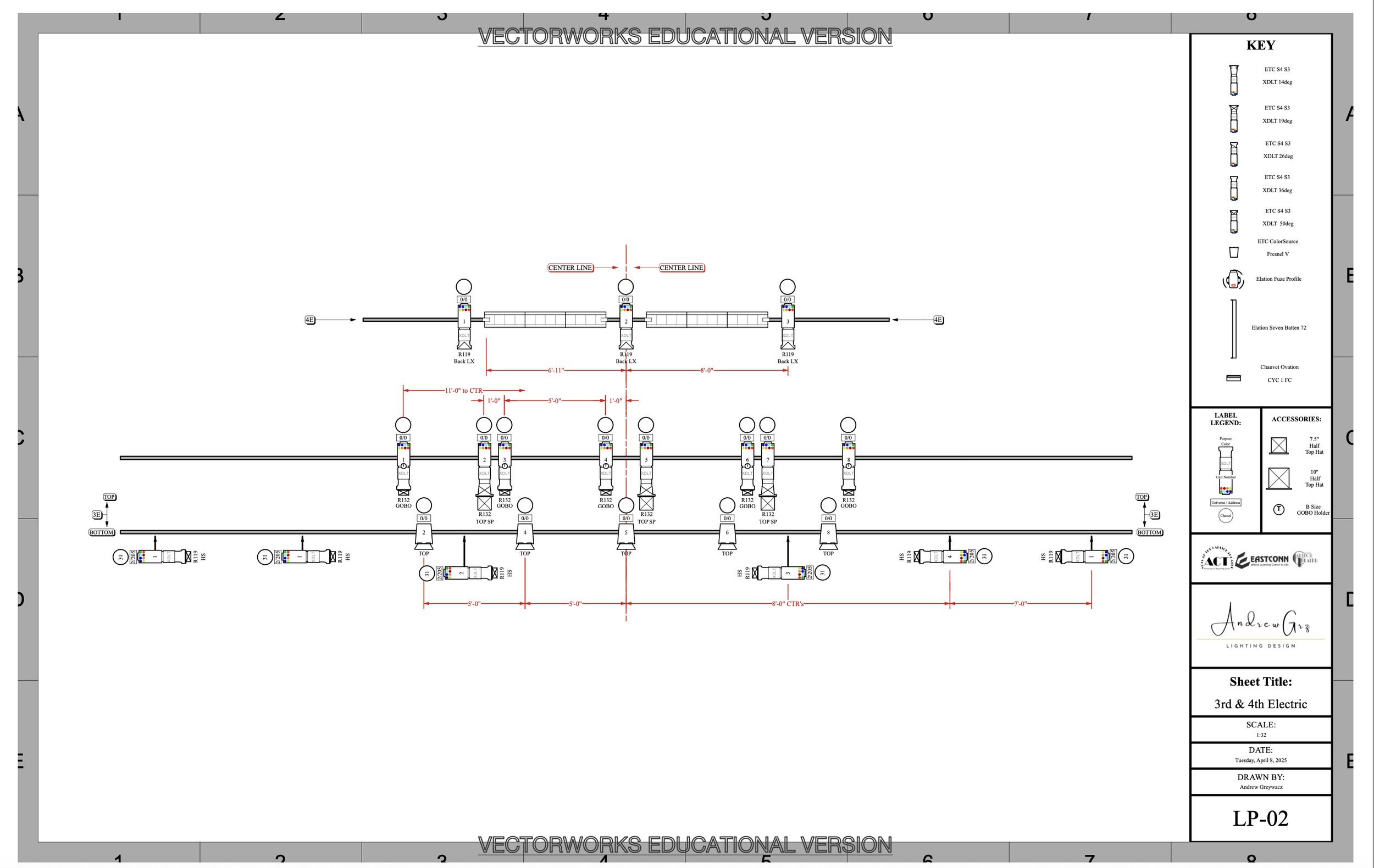
HadesTown Light Plots
Lighting Designer:
Andrew Grzywacz